Konfigurieren Sie Ihre Sonderanfertigung (BETA Version)
- technische Daten eintragen
- Firmenstammdaten erfassen
Bedienungshinweis:
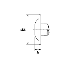
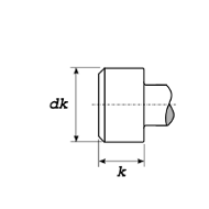
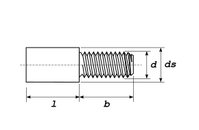
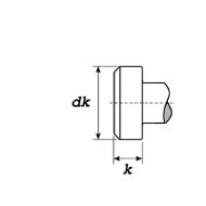
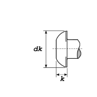
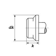
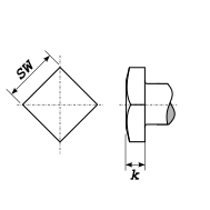
Arbeiten Sie bitte von oben nach unten. Klicken Sie innerhalb einer Rubrik erst auf das Bild, dannach wird das Eingabefeld für die Abmessungen angepasst. Auf der linken Seite sehen Sie eine Zusammenfassung Ihrer Auswahl. Eine Kombinationsmöglichkeit der hier abgebildeten Module (Kopf, Antrieb, Gewinde, ...) wird im Onlinemodus nicht auf technische Richtigkeit überprüft! Es zeigt lediglich Fertigungsmöglichkeiten. Details werden aufgrund der Komplexität nicht abgebildet und müssen im Nachgang geklärt werden. Die Konstruktionsverantwortung übernehmen wir ausdrücklich nicht.
Damit diese Seite korrekt funktioniert müssen die Funktionscookies eingeschaltet werden!
Rechtlicher Hinweis:
Beim Absenden des Formulars auf der Folgeseite generieren Sie eine Anfrage. Es entstehen Ihnen keine Kosten. Die Anfrage versteht sich als unverbindlich. Unser Angebot richtet sich exklusiv an Gewerbetreibende (only B2B).
Bei Fragen stehen wir Ihnen gerne telefonisch zur Verfügung.



